Válvulas

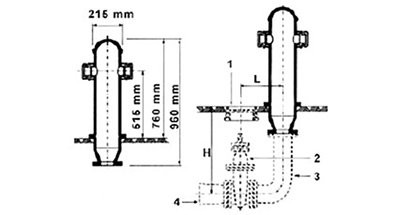
Hidrante de Coluna Classic Simples



Hidrante de Coluna Simples, em ferro fundido dúctil, conforme norma NBR 5667.

    Revestimento Externo:
    Tinta epóxi cor vermelha

    DN L H Massa
    mm mm Kg
    100 455 775 69

    Voltar