Hidrante de Coluna Classic Completo
Fabricado em ferro fundido dúctil, conforme norma NBR 5667, o Hidrante de Coluna Completo é fornecido, nos diâmetros 80 e 100, acompanhado de uma curva dissimétrica com flanges, uma Válvula Euro 23 com flanges (DN 80), uma Extremidade Flange e Bolsa (DN 80) e uma Tampa para Registro.
Revestimento Externo:
Tinta epóxi cor vermelha
Tinta epóxi cor vermelha
-
FTSG 0052 - HCCOM DN 80 e 100.v2
DOWNLOAD

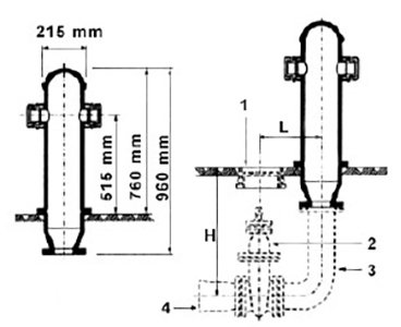
| DN | L | H | Massa |
|---|---|---|---|
| mm | mm | Kg | |
| 80 | 450 | 775 | 150 |
| 100 | 455 | 775 | 159 |
| L | H | Massa |
|---|---|---|
| mm | mm | Kg |
| 330 | 54 | 19 |
| Diâmetro de Saída DS | Diâmetro de Entrada DE | L | H | Massa |
|---|---|---|---|---|
| mm | mm | Kg | ||
| 100 | 80 | 360 | 575 | 32 |
| Diâmetro de Saída DS | Diâmetro de Entrada DE | L | H | Massa |
|---|---|---|---|---|
| mm | mm | Kg | ||
| 100 | 100 | 360 | 575 | 32 |
| DN | d | L | Massa |
|---|---|---|---|
| mm | mm | Kg | |
| 80 | 104 | 110 | 7 |
| DN | d | L | Massa |
|---|---|---|---|
| mm | mm | Kg | |
| 100 | 130 | 110 | 9 |
| DN | dn | L | Massa |
|---|---|---|---|
| mm | Kg | ||
| 80 | 180 | 395 | 16 |
| DN | dn | L | Massa |
|---|---|---|---|
| mm | Kg | ||
| 100 | 190 | 456 | 20 |