Válvula de Retenção Pé com Crivo
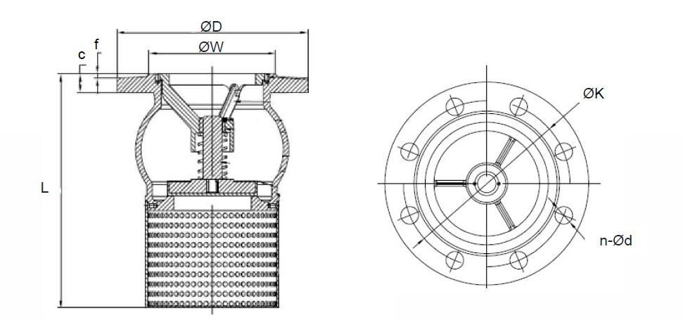
Válvula de retenção pé com crivo conforme EN 5153, para aplicação em água bruta com temperatura máxima de 80°C e irrigação, nos DNs 50 a 600 mm e furação PN 10. Revestimento em epóxi RAL 5005 com espessura média de 250 μm. Pressão máxima de serviço de até 1,6 MPa. Dimensões dos flanges de acordo com a norma EN 1092-2. A válvula de retenção pé com crivo possui fechamento rápido através de uma força axial aplicada por uma mola. O crivo é fabricado em Aço Inox 304, contendo furos com 5 mm de diâmetro e distância de 8 mm entre os furos.
-
FTSG 0391 - VÁLVULA RETENÇÃO PÉ COM CRIVO DN50 a 600
DOWNLOAD

| DN | L | D | K | W | c | n-Φd | Massa |
|---|---|---|---|---|---|---|---|
| mm | mm | mm | mm | mm | mm | Kg | |
| 50 | 157,0 | 165,0 | 125,0 | 99,0 | 19,0 | 4-Φ19 | 5,44 |
| 65 | 173,0 | 185,0 | 145,0 | 118,0 | 19,0 | 4-Φ19 | 7,48 |
| 80 | 240,0 | 200,0 | 160,0 | 132,0 | 19,0 | 8-Φ19 | 7,32 |
| 100 | 295,0 | 220,0 | 180,0 | 152,0 | 19,0 | 8-Φ19 | 11,30 |
| 125 | 316,0 | 250,0 | 210,0 | 184,0 | 19,0 | 8-Φ19 | 19,32 |
| 150 | 390,0 | 285,0 | 240,0 | 211,0 | 19,0 | 8-Φ23 | 22,10 |
| 200 | 463,0 | 340,0 | 295,0 | 266,0 | 20,0 | 8-Φ23 | 37,30 |
| 250 | 515,0 | 405,0 | 350,0 | 319,0 | 22,0 | 12-Φ23 | 56,60 |
| 300 | 590,0 | 460,0 | 400,0 | 370,0 | 24.5 | 12-Φ23 | 74,50 |
| 350 | 660,0 | 520,0 | 460,0 | 429,0 | 26,5 | 16-Φ23 | 122,50 |
| 400 | 705,0 | 580,0 | 515,0 | 480,0 | 28,0 | 16-Φ28 | 144,60 |
| 500 | 875,0 | 715,0 | 620,0 | 582,0 | 31,5 | 20-Φ28 | 215,00 |
| 600 | 1040,0 | 840,0 | 725,0 | 682,0 | 36,0 | 20-Φ31 | 350,00 |