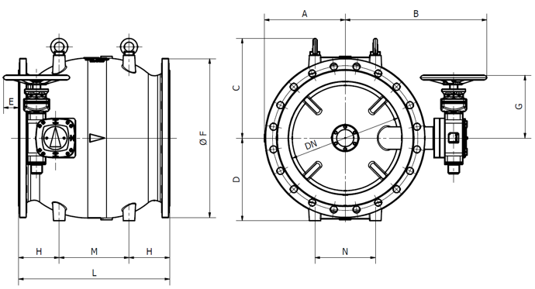
Válvula de Fluxo Anular
Fabricada em ferro fundido dúctil e conforme normas ISO 5208, EN 1092-2, ISO 7005-2, ISO 5210 e ISO 5211, a válvula de Fluxo Anular (Needle Valve), possui acionamento manual ou através de atuador e se destina ao controle hidráulico. Dentre as suas principais características estão a precisão e linearidade no controle, além de serviço silencioso e sem vibrações, mesmo em condições extremas de diferenciais de pressão ou vazão.
Revestimento Interno:
Tinta epóxi padrão RAL 5005.
Revestimento Externo:
Tinta epóxi padrão RAL 5005.
Tinta epóxi padrão RAL 5005.
Revestimento Externo:
Tinta epóxi padrão RAL 5005.
-
FTSG 0166 - VÁLVULA DE FLUXO ANULAR VFA NGL DN 100 a 140
DOWNLOAD

| DN | PN | A | B | C | D | E | F | L | Massa |
|---|---|---|---|---|---|---|---|---|---|
| mm | mm | mm | mm | mm | mm | mm | Kg | ||
| 100 | 10-16 | 135,0 | 315,0 | 179,0 | 135,0 | 85,0 | 270,0 | 300,0 | 59 |
| 150 | 10-16 | 160,0 | 356,0 | 193,0 | 160,0 | 58,0 | 320,0 | 350,0 | 89 |
| 200 | 10-16 | 185,0 | 384,0 | 193,0 | 185,0 | 49,0 | 370,0 | 400,0 | 146 |
| 250 | 10-16 | 213,0 | 480,0 | 203,0 | 213,0 | 97,0 | 425,0 | 500,0 | 212 |
| 300 | 10-16 | 243,0 | 549,0 | 300,0 | 243,0 | 98,0 | 485,0 | 600,0 | 360 |
| 350 | 10-16 | 288,0 | 579,0 | 300,0 | 278,0 | 65,0 | 555,0 | 700,0 | 430 |
| 400 | 10-16 | 310,0 | 623,0 | 312,0 | 310,0 | 35,0 | 620,0 | 800,0 | 583 |
| 450 | 10-16 | 335,0 | 658,0 | 312,0 | 335,0 | 28,0 | 670,0 | 900,0 | 782 |
| 500 | 10-16 | 365,0 | 658,0 | 312,0 | 365,0 | 730,0 | 1000,0 | 860 | |
| 600 | 10-16 | 423,0 | 748,0 | 312,0 | 425,0 | 845,0 | 1200,0 | 1455 | |
| 700 | 10-16 | 480,0 | 866,0 | 472,0 | 480,0 | 960,0 | 1400,0 | 2050 | |
| 800 | 10-16 | 543,0 | 926,0 | 472,0 | 543,0 | 1085,0 | 1600,0 | 2675 | |
| 900 | 10-16 | 593,0 | 1031,0 | 552,0 | 593,0 | 1185,0 | 1800,0 | 3590 | |
| 1000 | 10-16 | 628,0 | 1091,0 | 552,0 | 675,0 | 1255,0 | 2000,0 | 4100 | |
| DN | PN | A | B | C | D | E | F | L | Massa |
|---|---|---|---|---|---|---|---|---|---|
| mm | mm | mm | mm | mm | mm | mm | Kg | ||
| 100 | 25 | 135,0 | 315,0 | 179,0 | 135,0 | 85,0 | 270,0 | 300,0 | 59 |
| 150 | 25 | 160,0 | 356,0 | 193,0 | 160,0 | 58,0 | 320,0 | 350,0 | 89 |
| 200 | 25 | 185,0 | 384,0 | 193,0 | 185,0 | 49,0 | 370,0 | 400,0 | 146 |
| 250 | 25 | 213,0 | 480,0 | 203,0 | 213,0 | 97,0 | 425,0 | 500,0 | 212 |
| 300 | 25 | 243,0 | 549,0 | 300,0 | 243,0 | 98,0 | 485,0 | 600,0 | 360 |
| 350 | 25 | 288,0 | 579,0 | 300,0 | 278,0 | 65,0 | 555,0 | 700,0 | 430 |
| 400 | 25 | 310,0 | 623,0 | 312,0 | 310,0 | 60,0 | 620,0 | 800,0 | 583 |
| 450 | 25 | 335,0 | 658,0 | 312,0 | 335,0 | 28,0 | 670,0 | 900,0 | 782 |
| 500 | 25 | 365,0 | 658,0 | 312,0 | 365,0 | 730,0 | 1000,0 | 860 | |
| 600 | 25 | 423,0 | 806,0 | 472,0 | 425,0 | 40,0 | 845,0 | 1200,0 | 1514 |
| 700 | 25 | 480,0 | 866,0 | 472,0 | 480,0 | 960,0 | 1400,0 | 2050 | |
| 800 | 25 | 543,0 | 926,0 | 472,0 | 543,0 | 1085,0 | 1600,0 | 2675 | |
| 900 | 25 | 593,0 | 1031,0 | 552,0 | 593,0 | 1185,0 | 1800,0 | 3590 | |
| DN | PN | A | B | C | D | E | F | L | Massa |
|---|---|---|---|---|---|---|---|---|---|
| mm | mm | mm | mm | mm | mm | mm | Kg | ||
| 100 | 10-16 | 135,0 | 427,0 | 423,0 | 135,0 | 225,0 | 270,0 | 300 | 84 |
| 150 | 10-16 | 160,0 | 468,0 | 436,0 | 160,0 | 225,0 | 320,0 | 350 | 115 |
| 200 | 10-16 | 185,0 | 496,0 | 436,0 | 185,0 | 216,0 | 370,0 | 400 | 166 |
| 250 | 10-16 | 213,0 | 542,0 | 443,0 | 213,0 | 187,0 | 425,0 | 500 | 232 |
| 300 | 10-16 | 243,0 | 611,0 | 540,0 | 243,0 | 188,0 | 485,0 | 600 | 380 |
| 350 | 10-16 | 288,0 | 641,0 | 540,0 | 278,0 | 155,0 | 555,0 | 700 | 465 |
| 400 | 10-16 | 310,0 | 676,0 | 540,0 | 310,0 | 125,0 | 620,0 | 800 | 598 |
| 450 | 10-16 | 335,0 | 720,0 | 552,0 | 335,0 | 118,0 | 670,0 | 900 | 829 |
| 500 | 10-16 | 365,0 | 720,0 | 552,0 | 365,0 | 77,0 | 730,0 | 1000 | 898 |
| 600 | 10-16 | 423,0 | 810,0 | 552,0 | 425,0 | 20,0 | 845,0 | 1200 | 1503 |
| 700 | 10-16 | 480,0 | 853,0 | 723,0 | 480,0 | 14,0 | 960,0 | 1400 | 2087 |
| 800 | 10-16 | 543,0 | 913,0 | 723,0 | 543,0 | 1085,0 | 1600 | 2712 | |
| 900 | 10-16 | 593,0 | 1018,0 | 803,0 | 593,0 | 1185,0 | 1800 | 3636 | |
| 1000 | 10-16 | 628,0 | 1078,0 | 803,0 | 675,0 | 1255,0 | 2000 | 4121 | |
| DN | PN | A | B | C | D | E | F | L | Massa |
|---|---|---|---|---|---|---|---|---|---|
| mm | mm | mm | mm | mm | mm | mm | Kg | ||
| 100 | 25 | 135,0 | 427,0 | 423,0 | 135,0 | 225,0 | 270,0 | 30,0 | 84 |
| 150 | 25 | 160,0 | 468,0 | 436,0 | 160,0 | 225,0 | 320,0 | 35,0 | 115 |
| 200 | 25 | 185,0 | 496,0 | 436,0 | 185,0 | 216,0 | 370,0 | 40,0 | 166 |
| 250 | 25 | 213,0 | 542,0 | 443,0 | 213,0 | 187,0 | 425,0 | 50,0 | 232 |
| 300 | 25 | 243,0 | 611,0 | 540,0 | 243,0 | 188,0 | 485,0 | 60,0 | 380 |
| 350 | 25 | 288,0 | 641,0 | 540,0 | 278,0 | 155,0 | 555,0 | 70,0 | 465 |
| 400 | 25 | 310,0 | 676,0 | 540,0 | 310,0 | 125,0 | 620,0 | 80,0 | 598 |
| 450 | 25 | 335,0 | 720,0 | 552,0 | 335,0 | 118,0 | 670,0 | 90,0 | 829 |
| 500 | 25 | 365,0 | 720,0 | 552,0 | 365,0 | 77,0 | 730,0 | 100,0 | 898 |
| 600 | 25 | 423,0 | 810,0 | 552,0 | 425,0 | 20,0 | 845,0 | 120,0 | 1503 |
| 700 | 25 | 480,0 | 853,0 | 723,0 | 480,0 | 14,0 | 960,0 | 140,0 | 2087 |
| 800 | 25 | 543,0 | 913,0 | 723,0 | 543,0 | 1085,0 | 160,0 | 2712 | |
| 900 | 25 | 593,0 | 1018,0 | 803,0 | 593,0 | 1185,0 | 180,0 | 3636 |