Curva 90º Classic Flanges e Pé
Curva de 90° com flanges e pé, em ferro fundido dúctil, conforme norma NBR 7675, para transporte de água bruta ou tratada.
Revestimento Interno:
Pintura betuminosa
Revestimento Externo:
Pintura betuminosa
Pintura betuminosa
Revestimento Externo:
Pintura betuminosa
-
ET - Tubos e Conexões para Adução e Distribuição de Água (Saneamento)
DOWNLOAD

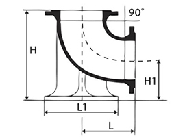
| DN | L | L1 | H | H1 | PN 10 | PN 16 | PN 25 |
|---|---|---|---|---|---|---|---|
| mm | mm | mm | mm | Kg | Kg | Kg | |
| 80 | 165 | 180 | 275,0 | 110,0 | 14,1 | 14,1 | 14,1 |
| 100 | 180 | 200 | 305,0 | 125,0 | 17,0 | 17,0 | 18,0 |
| 150 | 220 | 250 | 380,0 | 160,0 | 28,0 | 28,0 | 30,0 |
| 200 | 260 | 300 | 450,0 | 190,0 | 43,5 | 43,5 | 47,0 |
| 250 | 350 | 350 | 575,0 | 225,0 | 71,0 | 71,0 | 78,0 |
| 300 | 400 | 400 | 655,0 | 255,0 | 102,0 | 102,0 | 112,0 |
| 350 | 450 | 450 | 740,0 | 290,0 | 136,0 | 141,0 | 159,0 |
| 400 | 500 | 500 | 820,0 | 320,0 | 172,0 | 183,0 | 206,0 |
| 450 | 550 | 550 | 905,0 | 355,0 | 231,0 | 246,0 | 269,0 |
| 500 | 600 | 600 | 985,0 | 385,0 | 276,0 | 306,0 | 330,0 |
| 600 | 700 | 700 | 1150,0 | 450,0 | 423,0 | 476,0 | 504,0 |
| 700 | 800 | 800 | 1320 | 520 | 550,0 | 560,0 | 590 |