Extremidade Integral Flange e Ponta com Aba de Vedação
Extremidade ponta e flange com aba de vedação e ancoragem, em ferro fundido dúctil, conforme norma NBR 15420, para transporte de esgoto.
Revestimento Interno:
Pintura epóxi vermelha
Revestimento Externo:
Pintura epóxi vermelha
Pintura epóxi vermelha
Revestimento Externo:
Pintura epóxi vermelha

| Massas | ||||||||||
|---|---|---|---|---|---|---|---|---|---|---|
| DN | d | e | D | E | L | L1 | PN 10 | PN 16 | PN 25 | Empuxo Axial Máximo Admissível |
| mm | mm | mm | mm | mm | mm | Kg | Kg | Kg | KN | |
| 80 | - | - | 200 | 16 | - | - | 17,0 | 17,0 | 17,0 | 17 |
| 100 | - | - | 220 | 16 | - | - | 21,0 | 21,0 | 21,0 | 30 |
| 150 | - | - | 285 | 16 | - | - | 32,0 | 32,0 | 33,0 | 66 |
| 200 | - | - | 340 | 17 | - | - | 46,0 | 46,0 | 48,0 | 118 |
| 250 | - | - | 400 | 19 | - | - | 58,0 | 58,0 | 61,5 | 184 |
| 300 | - | - | 455 | 20,5 | - | - | 75,0 | 75,0 | 81,0 | 265 |
| 350 | - | - | 505 | 20,5 | - | - | 89,0 | 92,5 | 101,0 | 360 |
| 400 | - | - | 565 | 21,5 | - | - | 108,0 | 114,0 | 127,0 | 470 |
| 500 | - | - | 670 | 22,5 | - | - | 147,0 | 164,0 | 177,0 | 740 |
| 600 | - | - | 780 | 25 | - | - | 197,0 | 226,0 | 241,0 | 1060 |
| 700 | - | - | 895 | 27,5 | - | - | 244,0 | 272,0 | 299,0 | 1440 |
| 800 | - | - | 1015 | 30 | - | - | 314,0 | 335,0 | 389,0 | 1880 |
| 900 | - | - | 1115 | 32,5 | - | - | 345,0 | 408,0 | 474,0 | 2830 |
| 1000 | - | - | 1230 | 35 | - | - | 487,0 | 533,0 | 619,0 | 2950 |
| 1200 | - | - | 1455 | 40 | - | - | 637,0 | 695,0 | 817,0 | 4250 |
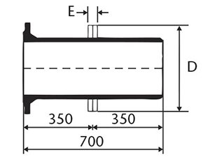
| Massa | ||||||
|---|---|---|---|---|---|---|
| DN | D | E | PN 10 | PN 16 | PN 25 | Empuxo Axial Máximo Admissível |
| mm | mm | Kg | Kg | Kg | KN | |
| 80 | 200 | 16 | 17,0 | 17,0 | 17,0 | 17 |
| 100 | 220 | 16 | 21,0 | 21,0 | 21,0 | 30 |
| 150 | 285 | 16 | 32,0 | 32,0 | 33,0 | 66 |
| 200 | 340 | 17 | 46,0 | 46,0 | 48,0 | 118 |
| 250 | 400 | 19 | 58,0 | 58,0 | 61,5 | 184 |
| 300 | 455 | 20,5 | 75,0 | 75,0 | 81,0 | 265 |
| 350 | 505 | 20,5 | 89,0 | 92,5 | 101,0 | 360 |
| 400 | 565 | 21,5 | 108,0 | 114,0 | 127,0 | 470 |
| 500 | 670 | 22,5 | 147,0 | 164,0 | 177,0 | 740 |
| 600 | 780 | 25 | 197,0 | 226,0 | 241,0 | 1060 |
| 700 | 895 | 27,5 | 244,0 | 272,0 | 299,0 | 1440 |
| 800 | 1015 | 30 | 314,0 | 335,0 | 389,0 | 1880 |
| 900 | 1115 | 32,5 | 345,0 | 408,0 | 474,0 | 2830 |
| 1000 | 1230 | 35 | 487,0 | 533,0 | 619,0 | 2950 |
| 1200 | 1455 | 40 | 637,0 | 695,0 | 817,0 | 4250 |